Anfahrschutz für Ecken Typ Corner Sentry
160,65 €* 135,00 € Netto *inkl. MwSt. Versandkostenfrei
Versandkostenfreie Lieferung!
Anfahrschutz Corner Sentry
- Anfahrschutz für Ecken
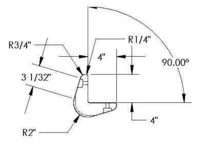
- 90°-Eckenschutz
- R1 = 25 mm dick (an den Kanten)
- R2 = 50 mm dick (an der Ecke)
- Schenkellänge 100 mm
- Höhe 1070 mm
- Material aus Polyethylen
- Kältefest und hitzeverformungsfest
Produktinformationen "Anfahrschutz für Ecken Typ Corner Sentry"
Anfahrschutz für Ecken Typ Corner Sentry
Unser Anfahrschutz für Ecken Typ Corner Sentry ist ein effektiver Anprallschutz im täglichen Betrieb mit Flurförderzeugen.
Gerade in Lagerbetrieben mit engen Durchgängen ist ein Kollisionsschutz sinnvoll, um die Schäden bei einem Anprall durch den Gabelstapler oder einem anderen Flurförderzeug gering zu halten, in erster Linie aber gänzlich zu vermeiden.
Denn bei einer Kollision werden in der Regel nicht nur Flurförderzeuge und deren Transportgut beschädigt, auch die baulichen Fundamente werden stark beeinträchtigt.
Dies verhindert unser Anfahrschutz für Ecken, welcher ein 90°-Eckenschutz ist.
Zusätzlich wird er mit einem hochwertigen Klettverschluss an der Ecke befestigt. So ist er flexibel anschnallbar und für die Montage ist kein zusätzliches Equipment notwendig.
Zusätzlich besteht er aus einem halbflexiblen und spannungsresistenten Kunststoff (Polyethylen) geformt und verhindert durch Absorbierung der auftretenden Kraft beim Aufprall Schäden an der Ecke.
Eigenschaft und Ausrüstung
Bei unserem Anfahrschutz für Regale Typ Corner Sentry ist die Höhe auf 1070 mm. Das Schenkellänge beträgt 100 mm.
In Bezug auf die Stärke ist er bei R2 = 50 mm dick (an der Ecke) und bei R1 = 25 mm dick (an den Kanten).
Der besonders robuste EVA-Kunststoff besteht aus LLDPE (Polyethylen), wodurch eine bestmögliche Langlebigkeit gewährleistet werden kann.
Weiterhin ist der Anfahrschutz kältefest (271 Nm bei 0°C Aufprall) sowie hitzeverformungsfest (455 kN/m² bei 49°C).
Das Produkt ist nach Brandschutzklasse UL94HB getestet worden und ist zugfest nach AST D638.
Die Scherfestigkeit des Klettverschlusses beträgt 89 N/m².
Sie benötigen ein anderes Produkt?
Vom Anfahrschutz für Regale, Ecken und Säulen bis hin zu Verkehrsbarrieren und Poller, unser Shop bietet eine breite Auswahl. Hier gelangen Sie zur Übersicht.
Weitere nützliche Artikel im Bereich Hof- und Lagertechnik finden Sie in unserer Kategorieübersicht.
Sollte dennoch nicht das passende Produkt dabei sein, sprechen Sie uns gerne an, damit wir Ihnen ein alternatives Angebot machen können. Unsere Mitarbeiter vom Onlineshop Richter Gabelstapler stehen Ihnen gerne zur Verfügung. Wahlweise erreichen Sie uns auch über den Live-Chat.
| Bauform: | 90°-Winkel |
|---|---|
| Form: | 90°-Winkel |
| Innenmaß: | 100 mm |
| Produkt Typ: | Ecken-Anfahrschutz |